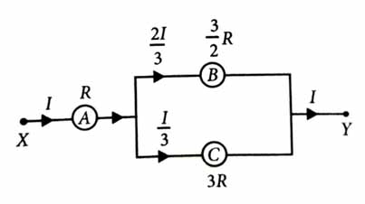
A, B and C are voltmeters of resistance R, 1.5R and 3R respectively as shown in the figure. When some potential difference is applied between X and Y, the voltmeter readings are , and respectively. Then [2015]

(3)
The current flowing in the different branches of circuit is indicated in the figure.
