Which of the following circuits represents a forward biased diode? [2025]

Choose the correct answer from the options given below:
(B), (D) and (E) only
(A) and (D) only
(B), (C) and (E) only
(C) and (E) only
(3)
For forward bias potential of p side should be higher than side.
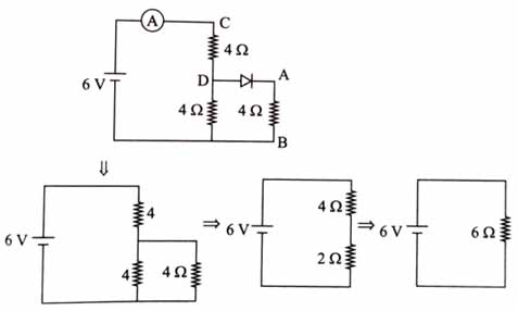
Refer to the circuit diagram given in the figure, which of the following observations are correct?

A. Total resistance of circuit is 6 .
B. Current in Ammeter is 1 A.
C. Potential across AB is 4 Volts.
D. Potential across CD is 4 Volts.
E. Total resistance of the circuit is 8 .
Choose the correct answer from the options given below: [2025]
A, B and D only
A, C and D only
B, C and E only
A, B and C only
(1)

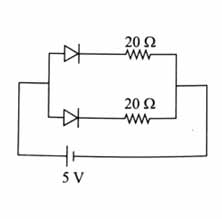
What is the current through the battery in the circuit shown below? [2025]

1.0 A
1.5 A
0.5 A
0.25 A
(3)
Consider the following statements:
A. The junction area of solar cell is made very narrow compared to a photo diode.
B. Solar cells are not connected with any external bias.
C. LED is made of lightly doped p–n junction.
D. Increase of forward current results in continuous increase of LED light intensity.
E. LEDs have to be connected in forward bias for emission of light.
Choose the correct answer from the options given below: [2025]
B, D, E only
A, C only
A, C, E only
B, E only
(4)
LED is connected in forward bias and its intensity increases up to certain value of current and further there is no change as intensity saturates.
Also solar cells are not connected with any external bias. So ‘B’ is also correct.

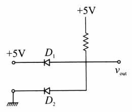
In the circuit shown here, assuming threshold voltage of diode is negligibly small, then voltage is correctly represented by: [2025]
would be zero at all times



(4)
Due to the diode the current will be allowed only along B to A through the resistor. Hence will have only negative values i.e., the following graph represents the output voltage .

A zener diode with 5 V zener voltage is used to regulate an unregulated dc voltage input of 25 V.
For a 400 resistor connected in series, the zener current is found to be 4 times load current. The load current and load resistance are: [2025]
(4)

In the following circuit, the reading of the ammeter will be (Take Zener breakdown voltage = 4V) [2025]

24 mA
80 mA
10 mA
60 mA
(3)

So, Zener breakdown will be taking place.
The output voltage in the following circuit is (Consider ideal diode case) [2025]

10 V
0 V
+ 5 V
- 5 V
(2)
Given below are two statements: one is labelled as Assertion A and the other is labelled as Reason R [2023]
Assertion A: Photodiodes are preferably operated in reverse bias condition for light intensity measurement.
Reason R: The current in the forward bias is more than the current in the reverse bias for a p–n junction diode.
In the light of the above statements, choose the correct answer from the options given below:
A is true but R is false
Both A and R are true and R is the correct explanation of A
A is false but R is true
Both A and R are true but R is NOT the correct explanation of A
(4)
Photodiodes are operated in reverse bias as fractional change in current due to light is more easy to detect in reverse bias.
Given below are two statements: one is labelled as Assertion (A) and the other is labelled as Reason (R) [2023]
Assertion (A): Photodiodes are used in forward bias usually for measuring the light intensity.
Reason (R): For a p--n junction diode, at applied voltage 'V' the current in the forward bias is more than the current in the reverse bias for where is the threshold voltage and is the breakdown voltage.
In the light of the above statements, choose the correct answer from the options given below:
A is true but R is false
A is false but R is true
Both A and R are true but R is not the correct explanation of A
Both A and R are true and R is correct explanation of A
(2)
Photodiodes are usually used in forward Bias.