The electric field between the two parallel plates of a capacitor of 1.5 capacitance drops to one third of its initial value in 6.6 when the plates are connected by a thin wire.
The resistance of this wire is __________ (Given, log 3 = 1.1) [2024]
(4)
The charge accumulated on the capacitor connected in the following circuit is ___________ (Given C = 150 ) [2024]

(400)

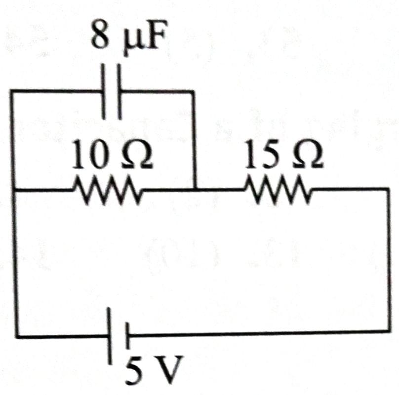
In the given figure, the charge stored in capacitor, when points A and B are joined by a connecting wire is ______ [2024]

(36)
At steady state, capacitor behaves as an open circuit and current flows in circuit as shown in the diagram.

So, potential difference across is 6 V.
Hence
In an electrical circuit drawn below the amount of charge stored in the capacitor is ________ . [2024]

(60)

Identify the valid statements relevant to the given circuit at the instant when the key is closed.

A. There will be no current through resistor R.
B. There will be maximum current in the connecting wires.
C. Potential difference between the capacitor plates A and B is minimum.
D. Charge on the capacitor plates is minimum.
Choose the correct answer from the options given below.: [2025]
C, D only
B, C, D only
A, C only
A, B, D only
(2)
Capacitor behaves as a short circuit at t = 0
So current will be maximum.
Charge on capacitor will be zero.
Potential difference across capacitor will be zero.
At steady state the charge on the capacitor, as shown in the circuit below, is ______ C. [2025]

(16)

The net current flowing in the given circuit is ______ A. [2025]

(1)
The capacitor behaves as open circuit,

In the network shown below, the charge accumulated in the capacitor in steady state will be [2023]

7.2 μC
4.8 μC
10.3 μC
12 μC
(1)

No current will flow in the capacitor in steady state. Current flowing in the circuit in steady state is
Potential difference across the resistance
The capacitor will have the same potential, so the charge is
For the given circuit, in the steady state, _______ [2023]

(1)
In steady state, the capacitor behaves as an open circuit. Circuit is:

The reading of the ammeter (A) in steady state in the following circuit (assuming negligible internal resistance of the ammeter) is ____ A. [2026]

1
0
2
1/2
(1)
