A bulb and a capacitor are connected in series across an ac supply. A dielectric is then placed between the plates of the capacitor. The glow of the bulb [2024]
increases
remains same
becomes zero
decreases
(1)
As dielectric is placed, capacitance will increase.
It means the capacitive reactance decreases,so impedance of circuit decreases. Hence current increases. So power increases. So glow of the bulb increases.
In an a.c. circuit, voltage and current are given by:
and respectively.
The average power dissipated in one cycle is [2024]
10 W
2.5 W
25 W
5 W
(2)
A series L, R circuit connected with an ac source has a power factor of . If the source of emf is changed to , the new power factor of the circuit will be [2024]
(3)
For first source power factor
for second source,
Power Factor =
An AC voltage V = 20 sin 200 is applied to a series LCR circuit which drives a current . The average power dissipated is [2024]
21.6 W
200 W
173.2 W
50 W
(4)
A coil of negligible resistance is connected in series with 90 resistor across 120 V, 60 Hz supply. A voltmeter reads 36 V across resistance. Inductance of the coil is [2024]
0.76 H
0.286 H
2.86 H
0.91 H
(1)

An alternating emf volt is applied to a capacitor of , the rms value of current in the circuit is __ mA. [2024]
(22)

A capacitor of reactance and a resistor of resistance are connected in series with an AC source of peak value . The power dissipation in the circuit is ______ W. [2024]
(4)

Given below are two statements: One is labelled as Assertion (A) and the other is labelled as Reason (R).
Assertion (A) : Choke coil is simply a coil having a large inductance but a small resistance, Choke coils are used with fluorescent mercury-tube fittings. If houehold electric power is directly connected to a mercury tube, the tube will be damaged.
Reason (R) : By using the choke coil, the voltage across the tube is reduced by a factor , where is frequency of the supply across resistor R and inductor L. If the choke coil were not used, the voltage across the resistor would be the same as he applied voltage.
In the light of the above statements, choose the most appropriate answer from the options given below: [2025]
Both (A) and (R) are true but (R) is not the correct explanation of (A).
(A) is false but (R) is true.
Both (A) and (R) are true and (R) is the correct explanation of (A).
(A) is true but (R) is false.
(3)

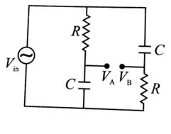
For ac circuit shown in figure, R = 100 k and C = 100 pF and the phase difference between and () is 90°. The input signal frequency is rad/sec, where 'x' is ________ . [2025]

(5)
Input voltage

An inductor of reactance 100, a capacitor of reactance 50, and a resistor of resistance 50 are connected in series with an AC source of 10 V, 50 Hz. Average power dissipated by the circuit is ________ W. [2025]
(1)
An inductor of self inductance 1 H connected in series with a resistor of 100 and an ac supply of 100 volt, 50 Hz. Maximum current flowing in the circuit is ________ A. [2025]
(1)
Impedance of circuit
An alternating voltage source is connected across a pure inductor of 5 mH. The inductive reactance in the circuit is [2023]
(1)
An inductor stores 16 J of magnetic field energy and dissipates 32 W of thermal energy due to its resistance when an a.c. current of 2 A (rms) and frequency 50 Hz flows through it. The ratio of inductive reactance to its resistance is __________. [2026]
(314)